Регулируемый Генератор На Ne555N

Генератор пилообразного напряжения на 555 таймере Пилообразный сигнал может быть сформирован разными способами, одним из наиболее популярных способов является заряд конденсатора стабильным током. При этом напряжение на конденсаторе будет линейно нарастать, и если полностью разряжать конденсатор при достижении на нём максимального напряжения, то и будет сформирован пилообразный сигнал. По сути дела схема является обычным.
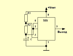
Задающий генератор для различных электронных устройств можно реализовать на известной микросхеме-таймере NE555. Генератор позволяет регулировать параметры выходных импульсов в широких пределах.
Обычно для реализации такого генератора используют тиристор или его аналог на биполярных транзисторах. Но можно использовать альтернативный способ, применив интегральный таймер 555 (КР1006ВИ1). Схема такого генератора пилообразного напряжения изображена на рисунке 1. Она состоит из, выполненного на транзисторе VT1 и стабилитроне D1, и узла управления разрядом, выполненным на микросхеме интегрального таймера 555 (КР1006ВИ1) и диоде D2. Принципиальная схема генератора пилообразного напряжения на 555 таймере (КР1006ВИ1). Выход 3 таймера соединён со входом 5 через диод D2, что позволяет снизить напряжение на внутреннем делителе до нуля при наличии на выходе таймера сигнала низкого уровня. Такая конфигурация позволяет почти полностью разрядить конденсатор С1.


Как только конденсатор разрядится до некоторого минимального напряжения, то таймер переключается и конденсатор начинает заряжаться от источника тока, и далее процесс циклично повторяется. Частота колебаний генератора пилообразного напряжения зависит от ёмкости конденсатора С1 и сопротивления резистора R1. Частота определяется по формуле F=0,4/R1C1. При указанных на схеме номиналах она будет составлять примерно. Ток, протекающий через резистор R1 должен быть небольшим, так как в процессе разряда конденсатора выход источника тока замыкается на землю.
Регулируемый Генератор На Ne555
Этот ток рассчитывается по формуле I=(V D1-V be)/R1, где V D1 - это напряжение стабилизации стабилитрона D1 (в данном случае 4,7В) и V be - прямое напряжение на переходе база-эмиттер транзистора VT1 (0,7В). Для получения хорошей формы сигнала ток, протекающий через резистор R1 не должен превышать 20 мА. В качестве транзистора VT1 можно использовать практически любой маломощный низкочастотный pnp транзистор, например, КТ502.
Регулируемый Генератор На Ne555 Тип 2
Стабилитрон D1 - любой с напряжением стабилизации 4,7 вольт. Если применить стабилитрон на напряжение 2,7 вольт, то напряжение питания схемы можно будет снизить до 5В. Диод D2 - любой кремниевый, например, кд503, кд 509.